TS293KG

DESCRIPTION

The gas detectors in explosion-proof housing for use in potentially explosive atmospheres are Certificated CESI 03 ATEX 323 X extension n. 2.11 (31/04/2011) updating to EN IEC 60079-0:2018 and EN60079-1:2014 standards and characterized by the
following Ex marking (Directive 2014/34/EU):

* Archievable for Flammable gases, Toxic and Oxygen
* Can be equipped with sensible element: Catalytic, Pellistor, Electrochemical, Infrared
* Available with: 4-20mA output
* Auto get zero drif

Request Quotation
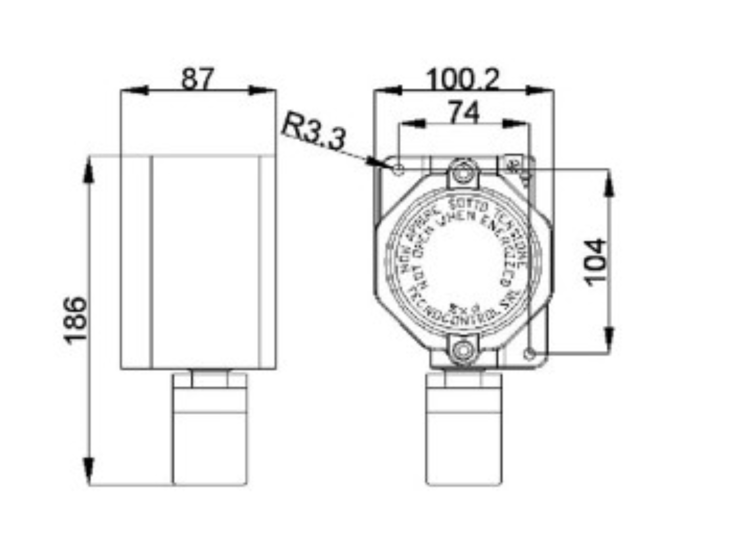
Technical specifications
equipped with Replaceable cartridge sensor
equipped with Pre-calibrated cartridges
equipped with Automatic Zero in air simplified using “F1” and “F2” keys
equipped with Automatic calibration simplified by “F1” ed “F2” keys
equipped with Made with 3 microprocessors
equipped with Polarized terminals
Request a price quote for the product